Ex housings
Aluminium die-castings
Company profile
Distributors
Privacy Policy
Contact
Products category
Aluminum instrument housings
XD-I versions
XD-FI versions
XD-Idig
XD-I80 versions
XD-I80die
XD-ID100 versions
XD-ID80 versions
XD-120 versions
XD-D120 versions
XD-DR120win
XDE-D120 versions
XD-JB85 versions
XD-JB85 with terminals
XD-JBA
XD-JBB
Field mounted transmitters
XD-80TIR
XD-80TR
Stainless steel instrument housings
XD-SI versions
XD-SIdig
XD-S120 versions
XD-SID100 versions
LED Displays
LPI-01
LPI-02
Bushings
Type S
Accessories
Display fixing kits
Mounting brackets
Cable glands
Stopping plug type SP
Contact
data
Limatherm S.A.
ul. Tarnowska 1,
34-600 Limanowa
Poland
tel. +48 18 3379 820
fax +48 18 3379 825
[email protected]
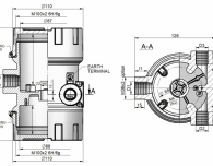
XD-SID100 versions
XD-SID100
XD-SID100 versions
Information
Material
: stainless steel DIN 1.4401, AISI 316
Service temperature
: T
serv
= -50
÷
150
o
C
- silicone VMQ rubber
T
serv
= -20
÷
200
o
C
- FKM rubber
Protection degree
: max. possible IP68
Gallery
Sketches
Files of:
Atex
IECEx
Application Manual.pdf
Data Sheet - ATEX.pdf
ATEX - Certificate.pdf
Application Manual.pdf
Data Sheet - IECEx.pdf
IECEx - Certificate.pdf
Product versions
XD-SID100win
XD-SID100 versions
XD-SID100Lwin
XD-SID100 versions